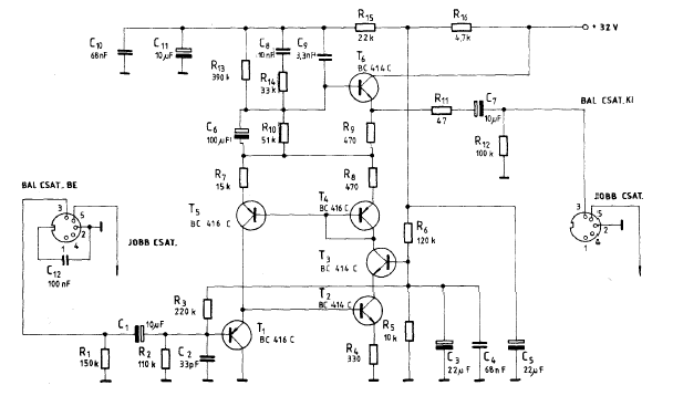
HFM1 fonoelőerősítő
Az előerősítő rajzát a HiFi magazinból vettük át. Az áramkör Huszti Gábor munkája.Megépítéséhez ajánlott némi jártasság a tranzisztoros áramkörök építésében.


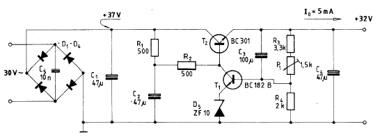
2. ábra A tápegység kapcsolási rajza
ALKATRÉSZJEGYZÉK (fonoerősítő)
|
T1,T4,T5 |
BC416C |
R1 |
150 Kohm |
|
|
T2,T3,T6 |
BC414C |
R2 |
110 Kohm |
|
|
R3 |
220 Kohm |
|||
|
C1 |
10 uF 6V 20%, elkó |
R4 |
330 ohm |
|
|
C2 |
33 pF 50V 20%, kerámia |
R5 |
10 Kohm |
|
|
C3 |
22 uF 6V, tantál |
R6 |
120 KOhm |
|
|
C4 |
68 nF 63V 20%, kerámia |
R7 |
15 KOhm |
|
|
C5 |
22 uF 63V 20%, elkó |
R8 |
470 Ohm |
|
|
C6 |
100 uF 6V, tantál |
R9 |
470 Ohm |
|
|
C7 |
10 uF 35V, tantál |
R10 |
51 KOhm |
|
|
C8 |
10 nF 63V 5%, polisztirol |
R11 |
47 ohm |
|
|
C9 |
3,3 nF 63V 5%, polisztirol |
R12 |
100 Kohm |
|
|
C10 |
68 nF 63V kerámia |
R13 |
390 Kohm |
|
|
C11 |
10 uF 63V, tantál |
R14 |
33 Kohm |
|
|
C12 |
100 nF 50V 20%, kerámia |
R15 |
22 Kohm |
|
|
R16 |
4,7 KOhm |
|||
|
mind ¼ W, fémréteg 5% |
||||
ALKATRÉSZJEGYZÉK (tápegység)
|
T1 |
BC182B |
R1 |
500 ohm |
|
|
T2 |
BC301C |
R2 |
500 ohm |
|
|
D1-D4 |
1N4148 |
R3 |
3,3 Kohm |
|
|
D5 |
ZF10 |
R4 |
2 Kohm |
|
|
mind ¼ W, 5%, fémréteg |
||||
|
C1 |
470 uF 63V 20%, elkó |
|||
|
C2 |
47 uF 63V 20%, elkó |
P1 |
1,5 Kohm |
|
|
C3 |
100 uF 25V 20%, elkó |
|||
|
C4 |
47 uF 40V 20%, elkó |
|||
|
C5 |
10 nF 100V 20%, kerámia |
|||
MŰSZAKI ADATOK
|
Bementei impedancia bal/jobb |
47 Kohm |
|
Ube bal/jobb Uki=0,5V-hoz, 1 KHz-en |
7,1 mV |
|
Ube max 0,1% harmonikus torzításhoz 1 KHz-en |
100 mV |
|
Harmonikus torzítás Uki=0,5V-nál bal/jobb |
0,01 % |
|
Intermodulációs torzítás (70+4000 Hz) Uki=0,5V |
0,07 % |
|
Jel – idegenfeszültség viszony Uki=0,5V |
72 dB |
|
Jel – zaj viszony Uki=0,5V, IEC ’A’ görbével |
83 dB |
|
Csatornák közötti áthallás 1 KHz-en |
68 dB |
A pdf. file az erősítő NYÁK és beültetési rajzát is tartalmazza.
hfm.pdf (706KB) letöltése
Ha böngészőjében az Acrobat Reader megnyitja a fájlt letöltés helyett,
úgy kattintson a jobb egérgombbal és válassza a dokumentum mentése parancsot
!
A fődokumentumba való visszatéréshez zárja be böngészőjében ezt az ablakot.